ABB KNX Power Supplies
                    ספק כוח KNX הוא רכיב חיוני במערכת בית חכם המבוססת על פרוטוקול KNX. הוא מספק את המתח הדרוש להפעלת המכשירים השונים ברשת KNX ומאפשר תקשורת חלקה בין המכשירים.
ספק כוח KNX הוא רכיב חיוני במערכת בית חכם המבוססת על פרוטוקול. תפקידו לספק את המתח הדרוש להפעלת
תכונות עיקריות:
- מתח יציב ומדויק: ספקי כוח KNX מספקים מתח יציב ומדויק, הנדרש לפעולה תקינה של המכשירים.
 - הגנה מפני קצר במעגל: בכדי למנוע נזק למכשירים ולמערכת כולה.
 - הגנה מפני מתח יתר: בכדי למנוע נזק למכשירים במקרה של עלייה חריגה במתח.
 - אבטחה: משנק מובנה המסנן את המידע העובר אל רשת ה-KNX ממקור המתח 220V.
 - תקשורת KNX: ספקי כוח KNX משולבים ברשת KNX ומאפשרים שליטה ובקרה מרחוק על המערכת.
 
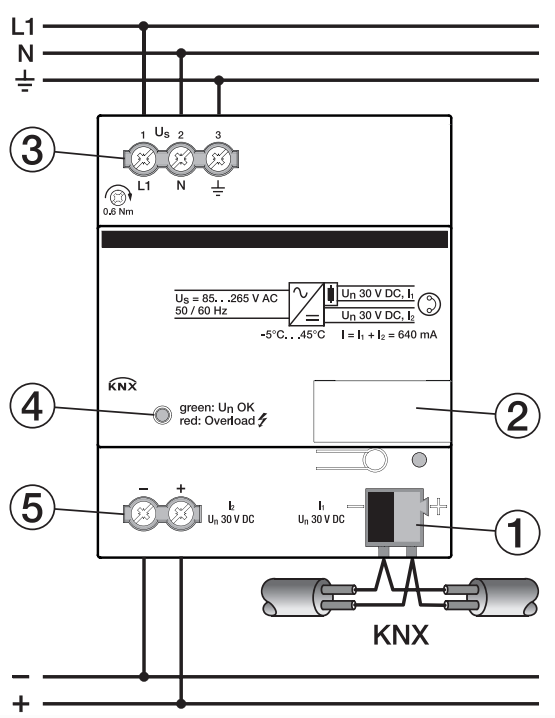
                    Bus connection terminal [I1] .1
- חיבור לרשת KNX עם שני חוטים.
 - החיבור מיועד להעברת המתח והמידע לרכיבים המחוברים למערכת.
 - ספק הכוח מספק מתח יציאה של 30V.
 - בנוסף ליציאה הנ"ל קיים פיוז שתפקידו לשמור על הרכיבים מפני זרמי יתר.
 - קו המידע מנותק מאספקת החשמל בעזרת משנק (Choke) משולב.
 
Label carrier .2
משטח עבור הכנסת תווית לזיהוי קל ומהיר של הרכיב.
Power supply connection Us .3
חיבור למתח כניסה.
L, N - חיבור ספק הכוח למתח הרשת:
- L1 - פאזה
 - N - ניוטרל
 - הכניסה השלישית מסמלת הארקה
 
Us - מתח שמסופק ע"י הספק כוח עבור שימושים חיצוניים.
Status LED .4
נורת לד המספקת אינדיקציה על ספק הכוח.
- ירוק = מערכת פועלת
 - אדום = תקלה (עומס יתר)
 - אדום מהבהב = קצר חשמלי
 
Voltage output without choke [I2] .5
- יציאת מתח מהספק ללא Choke
 - מתח יציאה של 30V
 
ניתן להשתמש בפלט המתח ללא משנק, רק להפעלת קו מידע נוסף, בשילוב משנק נפרד.
                    מידות
- רוחב 72mm
 - גובה 90mm
 - עומק 64.5mm
 - משקל 0.26kg
 
מפרט טכני
- מקור מתח בטווח 85-265 VAC
 - מתח יציאה 30V
 - צריכת זרם מקסימלית 0.32A